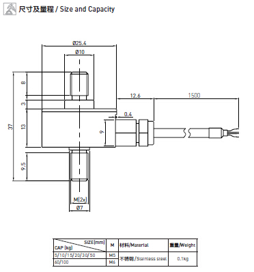
德國TECSIS 拉壓雙向力傳感器 - F2812
產品介紹
ISweek 工采網的所有產品均來自于原始生產廠商直接供貨,非第三方轉售。
推薦產品
-
加拿大Anyload S型稱重傳感器 - 101BH
-
加拿大Anyload 圓盤式稱重傳感器 - 266AA
-
奧地利SENSORE Electronic GmbH GSB–離子流 極限電流氧化鋯通用變送板 - GSB
-
英國Alphasense P型金屬氧化物傳感器模擬評估板 - MOX
-
Infrared Materials 瓦冷卻光敏紅外探測器 - PbS2
-
Infared materials 瓦冷卻光敏紅外探測器 - pbs3
-
Infared materials 無冷卻光敏紅外探測器 - PBS
-
Infared materials 瓦冷卻光敏紅外探測器 - Pbse2
-
Infared materials 瓦冷卻光敏紅外探測器 - Pbse3
-
Infared materials 通道紅外探測器 - PbSe4


